Home > External Driven Piezo Buzzer

  • HP4216AW Passive  Piezo Buzzer
HP4216AW Passive  Piezo Buzzer

HP4216AW Passive Piezo Buzzer

  • Product description: HP4216AW Passive Wire Lead Piezo Buzzer, High SPL Piezo Transducer Buzzer,Automotive buzzer,application used for reversing radar with buzzer, Automotive buzzer
  • INQUIRY

HP4216AW Passive  Piezo Buzzer

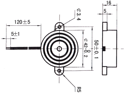
Transducer Buzzer Datasheet:
Lead wire type
External Driven Piezo Transducer Buzzer (Without oscillator circuit)
Dia 42 x16mm,Worked with12V p-p 2.8KHz ,Output 85dB at 10cm

Type

UNIT

HP4216AW

*Min. Sound Output at10cm

dB

85

Rated Voltage

Vp-p

12

Operating Voltage

Vp-p

3~30

Resonant Frequency

Hz

2800±500

*Max. Current Consumption

mA

3.5

Operating Temperature

°C

-20~+70

Storage Temperature

°C

-30~+80

Weight

g

10

Value applying at rated voltage

DIMENSIONS     Unit:mm     Tolerance:±0.5