Home > Internal Driven Piezo Buzzer

  •  HP4526XW High SPL Alarm Buzzer
 HP4526XW High SPL Alarm Buzzer

HP4526XW High SPL Alarm Buzzer

  • Product description: HP4526XW High SPL 100dB Alarm Buzzer,main apply for industrial alarm .The SPL can reach 100dB @12V .
  • INQUIRY

HP4526XW High SPL Alarm Buzzer

Buzzer Datasheet:
Lead wire type
Internal Driven Piezo Buzzer (With oscillator circuit)
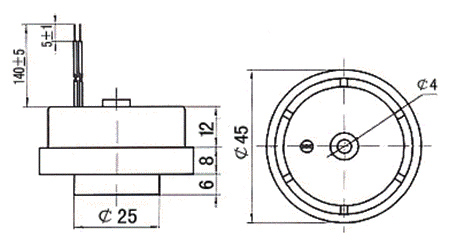
Dia 45 x26mm  Worked with 12V DC , Output 3.2K Hz 100dB at 10cm

Type

UNIT

HP4526XW

*Min. Sound Output at10cm

dB

100

Rated Voltage

VDC

12

Operating Voltage

VDC

8~15

Resonant Frequency

Hz

3200±500

*Max. Current Consumption

mA

35

Tone Nature


Continuous

Operating Temperature

°C

-20~+70

Storage Temperature

°C

-30~+80

Weight

g

20

Value applying at rated voltage

DIMENSIONS     Unit:mm     Tolerance:±0.5